? ? ? ?Î÷ÃÅ×ÓTeamcenterϵͳͨ¹ýÏîÄ¿ÖÎÀí×ÊÖúÆóÒµ´Ó²úÆ·¿´·¨Éè¼Æ¡ª¡ª¹¤ÒÕÉè¼Æ¡ª¡ª³µ¼äÍýÏ롪¡ªÎ¬»¤Î¬ÐÞ£¬£¬Ö±ÖÁ±¨·ÏµÄÍêÕûµÄ²úÆ·ÉúÃüÖÜÆÚÀú³ÌÖУ¬£¬ÊµÊ±Ð×÷µØ¾ÙÐÐÖØ´óÏîÄ¿µÄÍýÏëºÍÖÎÀí£¬£¬²¢¶ÔÕû¸ö²úÆ·ÑÐÖÆÀú³Ì¾ÙÐÐÏîÄ¿ÔËÐÐ״̬µÄ¼àÊÓ£¬£¬Íê³ÉÍýÏëµÄ·´Ïì¡£¡£¡£¡£¡£Î÷ÃÅ×ÓTeamcenterÏîÄ¿ÖÎÀíÒ×ÓÚʹÓ㬣¬¾ß±¸¸»ºñµÄÓªÒµ¹¦Ð§£¬£¬Äܹ»¾ÙÐÐÕæÕýµÄÏîÄ¿ÍýÏëºÍÏîÄ¿×ÊÔ´ÖÎÀí¡£¡£¡£¡£¡£Ëü×ÊÖú¶àѧ¿ÆÍŶӣ¬£¬ÔÚ½»»¥Ê½ÇéÐÎÖУ¬£¬Í¨¹ýWeb½¨Éè²¢¹²ÏíÏîÄ¿ÐÅÏ¢£¬£¬ËüΪÄÇЩÐèÒª¸ú×ÙÖØ´óÏîÄ¿½ø¶È¡¢ÏîÄ¿±¾Ç®¡¢½»¸¶Ö¸±êºÍÏîÄ¿×ÊÔ´µÄ²úÆ·ÍŶӻòÏîÄ¿ÍŶÓÌṩÁËÒ»¸ö¸ß¶È½»»¥Ê½µÄ¡¢ÎÞаµÄÐ×÷ÇéÐΡ£¡£¡£¡£¡£Ö÷ÒªÌṩÒÔÏÂÊÖÒÕÊֶΣº

1 ¶àÏîÄ¿ÐͬÖÎÀí
? ? ?ͨ¹ýTeamcenter Project½¨ÉèµÄÐͬÊÂÇéÆ½Ì¨£¬£¬ÏîÄ¿ÍŶӵÄÿһ¸ö³ÉÔ±¡ª¡ªÎÞÂÛÊÇÂþÑÜÔÚÌìϵÄÈκÎÒ»¸ö½ÇÂ䣬£¬ÕÕ¾Éͬ´¦Ò»¸ö°ì¹«ÊÒÄÚ£¬£¬¶¼¿ÉÒÔä¯ÀÀͬÑùµÄÍøÂçÒ³Ãæ£¬£¬²¢Í¬Ê±±à¼ÏîÄ¿ÐÅÏ¢¡¢Í¬Ê±ÎªÏîÄ¿ÐͬÊÂÇé¡£¡£¡£¡£¡£
? ? ? ? Teamcenter Project¿ÉÒÔ³ä·ÖÖª×ãÆóÒµÄÚ²¿ÈýÖÖÀàÐÍÖ°Ô±µÄÐèÒª£¬£¬¼´¸ß²ãÏòµ¼¡¢ÏîĿ˾ÀíÒÔ¼°ÍŶӳÉÔ±¡£¡£¡£¡£¡£
ÆóÒµµÄ¸ß²ãÏòµ¼Í¨¹ýTeamcenterÌṩµÄÐͬÊÂÇéÆ½Ì¨£¬£¬´Óºê¹ÛµÄ¡¢ÕóÊÆµÄ½Ç¶È¶ÔÆóÒµ²úƷͶ·ÅÊг¡µÄÀú³Ì¾ÙÐÐÏàʶ£¬£¬°üÀ¨Éó²é¸÷ÏîÊÂÇéµÄ½ø¶ÈÇéÐΣ¬£¬½â¾öÆóÒµÖзºÆðµÄÎÊÌ⣬£¬¶´²ì¿ÉÄܱ£´æµÄÒþ»¼¡£¡£¡£¡£¡£
ÏîĿ˾Àíͨ¹ýÐͬÊÂÇéÆ½Ì¨À´¼à¿ØÏîÄ¿½ø¶È£¬£¬·ÖÅÉʹÃü£¬£¬µ÷ÀíÖÖÖÖ×ÊÔ´ÒÔ¼°×÷³öÏîĿԤËã¡£¡£¡£¡£¡£ÏîĿ˾Àí²»µ«¿ÉÒÔ´ÓÆ½Ì¨ÖлñÈ¡ÖÖÖÖÖÎÀíͳ¼Æ±¨¸æ£¬£¬Ò²¿ÉÒÔʹÓÃϵͳÌṩµÄÔ¤¾¯¹¦Ð§£¬£¬ÔÚÏîÄ¿½ø¶È°²Åű¬·¢´óµÄ±ä»»Ê±Ìáǰ»ñµÃ֪ͨ¡£¡£¡£¡£¡£
ÏîÄ¿ÍŶӵijÉÔ±ÔÚÕâÑùµÄÊÂÇéÆ½Ì¨ÖпÉÒÔÏ໥Ð×÷£¬£¬¾ÙÐÐʵʱµÄÌÖÂÛ£¬£¬¹²Ïíµç×ÓÎĵµ£¬£¬²¢ÊµÊ±µØ¸üÐÂÏîÄ¿½ø¶È¡¢±àдÊÂÇéÈÕÖ¾¡£¡£¡£¡£¡£
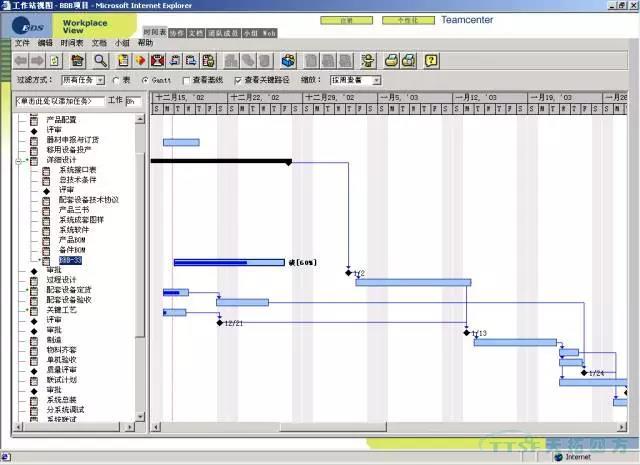
? ? ? ? ͨ¹ý±í¸ñÊÓͼ»òÊ©¹¤½ø¶È±í£¬£¬ÏîÄ¿³ÉÔ±¿ÉÒÔÅäºÏ¾ÙÐÐʵʱÏîÄ¿ÍýÏëµÄÌåÀý¡£¡£¡£¡£¡£Ê©¹¤½ø¶È±íµÄ¹¦Ð§ºÜÊÇǿʢ£¬£¬ËüÖ§³ÖÖ±½ÓÔÚͼÖжԲî±ðͼ±ê¾ÙÐÐÍϷŲÙ×÷¡£¡£¡£¡£¡£ÏÂͼÏÔʾÁËÔÚTeamcenterÏîÄ¿ÖÎÀíÖн¨ÉèµÄÒ»¸öÊ©¹¤½ø¶È±í¡£¡£¡£¡£¡£ÏîÄ¿³ÉÔ±¼òÆÓµØÍ¨¹ýÍÏ·ÅͼÖÐÔªËØ£¬£¬¾Í¿ÉÒÔÐÞ¸ÄÏîÄ¿µÄʹÃüÔ¼Êø¡¢ÖØ´óÊÂÎñÒÔ¼°×îÏÈ¿¢ÊÂÈÕÆÚ¡£¡£¡£¡£¡£¸Ãϵͳ»¹ÌṩÁËÆäËüµÄÏîÄ¿ÖÎÀí¹¦Ð§¡£¡£¡£¡£¡£ÀýÈ磬£¬Ê¹ÃüÆÊÎö½á¹¹ÊÓͼ¡¢Ê¹ÃüÔ¼Êø¡¢²»ÏÞ²ãʹÃüÊ÷¡¢Ê¹Ãü±¾Ç®ÖÎÀí£¬£¬½¨ÉèÍýÏë»ù×¼ºÍЧ¹ûÇý¶¯µÄ½ø¶È±íµÈ¡£¡£¡£¡£¡£ ÏîÄ¿µÄÏ£ÍûÄܹ»ÒÔÖÜ¡¢Ô¡¢¼¾¶ÈºÍÄêΪµ¥Î»¾ÙÐÐÉó²é¡£¡£¡£¡£¡£

2 ?ÏîÄ¿½ø¶È¸ú×Ù
? ? ? ? ´Ë¹¦Ð§ÊÇΪÁ˽«²úƷʹÃü״̬¸üе½ÏîÄ¿ÖÎÀíÖУ¬£¬Ê¹ÖÎÀíÕßÄÜʵʱÏàʶµ½²úÆ·Ñз¢½ø¶È¡£¡£¡£¡£¡£×ÅʵÏÖÊÇͨ¹ýÔÚÁ÷³Ì½ç˵ÖмÓÈë×Ô¶¯´¦Öóͷ£Ê¹Ãü£¬£¬ÔÚÒ»¶¨µÄÀú³Ì½Úµã×Ô¶¯¸üÐÂÏîÄ¿ÖÎÀí½çÃæÖеÄʹÃü״̬ÐÅÏ¢¡£¡£¡£¡£¡£ÕâÒ»Àú³ÌÓÉϵͳÔڵײãÍê³É£¬£¬²»ÐèÒªÓû§¾ÙÐиÉÔ¤¡£¡£¡£¡£¡£
×Ô¶¯Ë¢ÐÂÏîĿϣÍû״̬
? ? ? ? ͬʱ£¬£¬Teamcenter ProjectΪ¸ß²ãÏòµ¼ºÍÏîĿ˾ÀíÌṩÁËÖÚ¶àµÄ¸ú×ٺͻ㱨¹¦Ð§¡£¡£¡£¡£¡£¸ß²ãÏòµ¼ÄÜÊÕµ½¹ØÓÚËùÓÐÍŶӳÉÔ±ºÍÏîÄ¿µÄ״̬±¨¸æ£»£»£»Ò²¿ÉÒÔʹÓÃÌØ¶¨ÊÂÎñµÄÔ¤¾¯¹¦Ð§ÏàʶÏîÄ¿ÖÐÒ»Ð©ÖØ´óÊÂÎñµÄ±¬·¢£¬£¬ÒÔ±ãËæÊ±¶ÔÏîÄ¿¾ÙÐж½µ¼¡£¡£¡£¡£¡£ÒÔÊÇÎÞÂÛÊǽø¶È¡¢Óöȡ¢Îĵµ¡¢ÌÖÂÛ»°ÌâµÈÄÄÒ»·½ÃæµÄÊÂÇ飬£¬¶¼¿ÉÒÔͨ¹ýE-mailºÍµ¯³ö֪ͨ·½·¨Í¨ÖªÆóÒµµÄÏòµ¼¡£¡£¡£¡£¡£¸ß²ãÏòµ¼ºÍÏîĿ˾ÀíÒ²¿ÉÒÔͨ¹ý¸ÊÌØÍ¼µÄ·½·¨À´»ñµÃ¶ÔÏîÄ¿½ø¶È°²ÅŵÄ×ÜÌåÏàʶ£¬£¬Ò²¿ÉÒÔʹÓÃTeamcenter ProjectµÄ¿ÉÊÓ»¯µÄ±¨¸æ±à¼Æ÷ºÍ±¨¸æÄ£°å£¬£¬½á¹¹ÊôÓÚ×Ô¼ºÏîÄ¿µÄÖÖÖÖÖÎÀí»ã×ܱ¨¸æ¡£¡£¡£¡£¡£
3 ?Ö°Ô±¼¨Ð§ÖÎÀí
? ? ? ? ×ÊÔ´ºÍÊÖÒÕ¼¯Äܹ»ÒÔ²¿·Ö¡¢ÓªÒµµ¥Î»»òÆäËüÆÊÎö×ÊÔ´µÄ×éÖ¯ÀàÐÍΪµ¥Î»£¬£¬Í¨¹ý×ÊÔ´¼ÐÀ´¾ÙÐÐ×éÖ¯¡£¡£¡£¡£¡£ÏµÍ³Ö§³ÖµÄ¹¦Ð§°üÀ¨£¬£¬½¨Éè²¢·ÖÅÉÍŶÓ×ÊÔ´¡¢ÅÌÎÊά»¤ÊÖÒÕ¼¯¡¢ä¯ÀÀ¿çÏîÄ¿Óû§µÄʹÃü·ÖÅÉ¡¢½»»¥Ê½Éó²é×ÊÔ´Öù״ͼ¡¢¾ÙÐÐÊÂÇéÔØºÉµÄÖÎÀí¡£¡£¡£¡£¡£ ²¢¿ÉÒÔÆ¾Ö¤ÊÓͼÌìÉúÖ°Ô±µÄ¼¨Ð§»ã×ܱ¨±í£¬£¬Í¬Ê±¿ÉÒÔÑ¡ÔñÖ°Ô±¾ÙÐм¨Ð§±ÈÕÕ¡£¡£¡£¡£¡£
? ? ? ? ͨ¹ýTeamcenter ProjectµÄ½á¹¹ÆÊÎöºÍ×ÊÔ´ÖÎÀí¹¦Ð§£¬£¬Óû§Äܹ»ÊµÏÖ¶Ô²úÆ·ÏîÄ¿µÄ׼ȷԤ¼ÆºÍÓÐÓÃÖÎÀí¡£¡£¡£¡£¡£ÏîÄ¿×éµÄÏà¹Ø³ÉÔ±½«ÎªÃ¿¸öÏîÄ¿½¨ÉèһϵÁеÄ×ÊÔ´²ÎÊý£¬£¬ºÃ±È£ºÏà¹ØµÄÊÂÇéʹÃü¡¢Ïà¹ØÓöȡ¢Ö´ÐÐÿÏîʹÃüËùÐèµÄ×ÊÔ´ÒÔ¼°Ïà¹ØÖ°Ô±ÐèÒª¾ß±¸µÄ֪ʶºÍÊÖÒÕ¡£¡£¡£¡£¡£
? ? ? ?Teamcenter ProjectÖ§³Ö¶à¸öÏîÄ¿µÄÐͬµ÷Àí×ÊÔ´£¬£¬Òò´Ë×ÊÔ´¿ÉÒÔÔÚ¶àÏîÄ¿ÖлñµÃÔ½·¢ºÏÀíµÄ·ÖÅɺ͵÷Àí¡£¡£¡£¡£¡£Í¬Ê±£¬£¬ÏîÄ¿µÄ״̬Ҳ¿ÉÒÔ¾ÙÐÐʵʱµÄ¼à¿Ø£¨ºÃ±È£¬£¬¿ÉÒÔͨ¹ýÖù״ͼÀ´Í»³öÏÔʾʹÓÃÌ«¹ý»òʹÓÃÂʵÍϵÄ×ÊÔ´£©¡£¡£¡£¡£¡£ÎÞÂÛºÎʱºÎµØ£¬£¬¶¼¿ÉÒÔ¸øÍŶӳÉÔ±¾ÙÐÐʹÃü·ÖÅÉ£¬£¬²¢ÇÒʵʱµØ»ñµÃ¸÷³ÉԱʹÃü½ø¶ÈµÄ±¨¸æÐÅÏ¢¡£¡£¡£¡£¡£?
4 ? ¹¤Ê±Í³¼Æ
?ÏîÄ¿ÍŶӳÉÔ±¿ÉÒÔÔÚÏß±¨¸æÄ³ÏîʹÃüµÄ¹¤Ê±£¬£¬ÉóºËÒÑÌá½»µÄ¹¤Ê±±í£¬£¬²¢½«Ö®µ¼ÈëÏîÄ¿Êý¾Ý¿âÖС£¡£¡£¡£¡£
5 ?ÏîÄ¿±¾Ç®ÖÎÀí
? ? ? ? ¿ÉÒÔΪ×ÊÔ´ºÍÊÖÒÕ¼¯Ö¸¶¨¹¤±¾»ãÂÊ£¬£¬ÕâÑùTeamcenterÏîÄ¿ÖÎÀí¾ÍÄܹ»ÌìÉúÏêϸ»òÕß¼òªµÄÏîÄ¿±¾Ç®ÊÓͼ£¬£¬°üÀ¨¹ÀË㱾Ǯ¡¢¸½¼Ó±¾Ç®ºÍ»ù±¾±¾Ç®£¬£¬±ðµÄ»¹Ö§³Ö¿É±äÀ͹¤ºÍÀο¿±¾Ç®ÖÎÀí¡£¡£¡£¡£¡£
? ? ? ?ÐͬÓöÈÖÎÀí¹¦Ð§Ê¹Óû§¿ÉÒÔΪËùÓеÄ×ÊÔ´»òÊÖÒÕÉ趨ÓöȺͼÛÇ®£¬£¬ÏîĿ˾Àí¿ÉÒÔÏàʶÏêϸµÄÓöÈÇéÐκͻã×ܱ¨±í£¬£¬°üÀ¨ÏîĿԤËãÒÔ¼°ÏÖÊÊÓöÈÇéÐΡ£¡£¡£¡£¡£Í¨¹ýϵͳ£¬£¬Ò²¿ÉÒÔÉó²éת±äµÄÀͶ¯Á¦±¾Ç®ºÍÀο¿µÄÓöÈ̯Ïû¡£¡£¡£¡£¡£ÁíÍ⣬£¬Ö»ÒªÃ¿Ð¡ÎÒ˽¼Òƾ֤ÏîÄ¿Ìá½»ÊÂÇéʱ¼ä¼Í¼¿¨£¬£¬Teamcenter Project¾Í¿ÉÒÔ¾ÙÐÐÔÚÏßÉóºË£¬£¬²¢ÇÒÍê³ÉËùÓÐÏîÄ¿µÄʱ¼ä»ã×Üͳ¼Æ¡£¡£¡£¡£¡£
6 ?±¨±íͳ¼Æ
? ? ? ? TeamcenterÏîÄ¿ÖÎÀíµÄÆóÒµ±¨±íϵͳʹÓÃÁ˺ÍÈí¼þÒ»Í¬×°ÔØµÄ±¨±íÒýÇæ£¬£¬¹¦Ð§ÎÞа¶øÇ¿Ê¢¡£¡£¡£¡£¡£±ðµÄ£¬£¬ÉÐÓÐÒ»¸ö¿ÉÑ¡µÄ±¨±íÉè¼Æ¹¤¾ß£¬£¬¿ª·¢Ö°Ô±¿ÉÒÔʹÓÃÕâ¸ö¹¤¾ßÐÞ¸ÄȱʡµÄ±¨±íÃûÌ㬣¬»òÕß½¨Éèȫеı¨±í£¬£¬Ê¹Ë¾ÀíºÍÖ÷¹ÜÖ°Ô±Äܹ»»ñµÃËûÃÇËùÆÚÍû¼òÖ±ÇÐÐÅÏ¢¡£¡£¡£¡£¡£±¨±íÎļþµÄÃûÌÿÉÒÔÊÇDHTML¡¢HTML¡¢PDF»òÕßCSV¡£¡£¡£¡£¡£¿£¿£¿£¿çÏîÄ¿±¨±íÊÇΪ˾ÀíºÍÖ÷¹ÜÔ¤´ò°üµÄ±¨±í£¬£¬ËüÓÃͼÐη½·¨ÏÔʾ¶à¸öÊÂÇéÇøÉϵÄÏîĿϣÍû£¬£¬ÒÔ±ãÓÚÉó²éÔÚÒ»¸öÍêÕûÔ˶¯Öвî±ðÏî