¿ËÈÕ£¬£¬ÓŵÂ88ËÄ·½ÓëijÁúÍ·»·±£ÆóÒµÔÙ´ÎÇ£ÊÖ£¬£¬ÅäºÏÖúÁ¦Ä³¸ÖÌú¼¯ÍÅÁ¶Ìú³§1#2#3#ÉÕ½á»úÑÌÆøÑ»·ÏîÄ¿¡£¡£¸ÃÏîÄ¿ÊǼÌÓŵÂ88ËÄ·½ÀÖ³ÉʵÑéºÓ±±Ä³¸ÖÌúÆóÒµÉÕ½á»úÑÌÆøÑ»·¼°ÓàÈȽÓÄÉʹÓÃÏîÄ¿ºóµÄÓÖÒ»ÁÁµã¹¤³Ì¡£¡£
ÉÕ½áÑÌÆøÄÚÑ»·ÊÖÒÕÊÇʹÓò¿·ÖÉÕ½á´óÑ̵ÀÑÌÆø£¬£¬¾³ý³¾µÈ´¦Öóͷ£ºó£¬£¬ÑÌÆø·µ»ØÖÁÉÕ½á»úÁÏÃæ£¬£¬Ñ»·Ê¹Óᣡ£ÏîĿˢкóµÄÑÌÆøÑ»·Á¿¿ÉµÖ´ïÔÉÕ½áÑÌÓîÁ¿µÄ30%£¬£¬ÉÕ½áÑÌÆøºóÐøÍÑÁòÍÑÏõ´¦Öóͷ£Á¿ºÍ´¦Öóͷ£Óöȴó´ó½µµÍ¡£¡£±¾ÏîÄ¿½¨³Éºó£¬£¬Ã¿Äêÿ¶ÖÉÕ½á¿ó¿É½ÚÔ¼±ê׼úԼ2-3ǧ¿Ë£¬£¬½µµÍÉÕ½áÑÌÆøÍÑÁòÍÑÏõ´¦Öóͷ£ÔËÐзÑÔ¼25%-30%¡£¡£

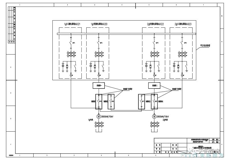
Á¬Ïµ¿Í»§µÄÏÖÕæÏàÐΣ¬£¬ÓŵÂ88ËÄ·½Îª¸ÃÏîÄ¿ÅäÌ×6Ì×Î÷ÃÅ×ÓGH180ÍêÉÆÎÞг²¨ÖÐѹ±äƵװ±¸£¬£¬Ã¿Ì¨»ú×é½ÓÄɶþÍ϶þ¼Æ»®£¬£¬³ä·Ö˼Á¿ÁËµçÆøÏµÍ³ÎÞÓÇÇл»µÄ¿É¿¿ÐÔºÍʹÓÃÂÊ£¬£¬ÉèÖÃÁ½Â·½øÏߣ¬£¬±äƵ»¥Îª±¸Ó㬣¬ÏµÍ³ÎÞÓÇÇл»¡£¡£½ÓÄÉ12Ãæ×Ô¶¯ÅÔ·¹ñʵÏÖ±¾ÏµÍ³µÄ¶þÍ϶þÉèÖüƻ®£¬£¬Ã¿×é4̨ÅÔ·¹ñ£¬£¬¹²3×飬£¬¶ÔÓ¦1#2#3#ÉÕ½á»ú×飻£»£»£»6×éÖÐѹ±äƵÅäÌ׿ÕË®Àäϵͳ£¬£¬ÒÔ¼°Èô¸É±¸¼þ¡£¡£Ïê¼ûÏÂͼ£º

?SINAMICSÍêÉÆÎÞг²¨GH180±äƵÆ÷×÷Ϊһ¿î¾µäµÄÖÐѹ¼¶ÁªÍØÆË½á¹¹±äƵװÖ㬣¬Ó¦ÓÃÆÕ±é£¬£¬Êг¡ÈϿɶȽϸߡ£¡£ÏÖÔÚÒÑÀÖ³ÉÓ¦ÓÃÔÚµçÁ¦¡¢Ê¯ÓÍ¡¢»¯¹¤¡¢²É¿ó¡¢Ò±½ð¡¢ÊÐÕþµÈÖÖÖÖ¹¤ÒµÐÐÒµ£¬£¬×ÊÖúÓû§ÏÔÖøÌá¸ßÉú²úÂÊ¡¢ÔöÇ¿ÄÜԴʹÓÃÂʺͽµµÍÔËÐб¾Ç®¡£¡£Æä¸ß¿É¿¿ÐÔ¡¢¸ß¾«¶È¡¢³¤Ê¹ÓÃÊÙÃüµÄ±äƵӦÓÃÖ®Ê×Ñ¡¡£¡£
ÈçÐèÏàʶ¸ü¶àÐÐÒµ½â¾ö¼Æ»®£¬£¬¿É²¦´òÓŵÂ88ËÄ·½¿Í»§ÈÈÏß400-696-5700£¬£¬½Ó´ý×Éѯ£¡